Page 1 sur 2
TV 100 Hz et 480p
Publié : 05 oct. 2021 - 21:39
par Touki_JAFF
Bonjour à Tous.
J'ai une question à la Con... (et oui, encore une)
Comme beaucoup, je parcours la Toile et collecte des infos, j'ai lu il n'y a pas longtemps qu'un certain nombre de TV en 100hz supportait le 480p
Me revient en tête un teste que j'avais fait sur ma TV 29" (Panasonic TX-29AK10F Pure Flat) 100 Hz et je me suis aperçu que lors que je lui envoie du 31k (640x480) avec un adaptateur "maison" VGA vers Scart (Péritel) que l'on peu trouver dans différent Tuto pour du 15k. J'avais une image "Net" verticalement (donc en 480p) mais doublé horizontalement, dans ce style :

- Sélection_529.png (235.87 Kio) Consulté 4351 fois
(c'est pas ma TV, mais c'est le même résultat)
Forcement, je me demande si cette TV ne supporterai pas le 480p comme ce qui peux sortir d'une Dreamcast (avec le bon câble) sur une prise Peritel.
En farfouillant, je suis tombé sur le
Wiki de gamesx.com qui propose un petit montage pour combiner les synchro Vertical et Horizontal... Cela me laisse songeur
Car du coup, je me demande si je ne peux pas me faire un convertisseurs VGA vers Scart (Péritel) sur le même principe !
Est-ce que quelqu'un à déjà rencontré ce genre d'affichage en 31k (640x480) sur une TV ?
Voir à déjà utilisé ce type de convertisseur ?
Car dans ce cas là, je garde ma TV pour la mettre dans une borne au besoin !

Re: TV 100 Hz et 480p
Publié : 05 oct. 2021 - 23:28
par Playmobil
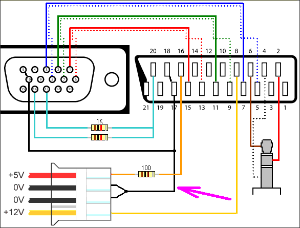
Sur ton montage VGA-->Péritel :
Sur le fil 2 sortie VGA vers le fil 7 SCART tu soudes un condo de type C728B de 2,5ohm... Cela devrait faire l'affaire...
Je déconne je n'y connais rien !!!

Re: TV 100 Hz et 480p
Publié : 05 oct. 2021 - 23:36
par Touki_JAFF
Re: TV 100 Hz et 480p
Publié : 06 oct. 2021 - 10:47
par BolafLeHideux
Bonjour Touki_JAFF
MDR Playmobil eh bien figure-toi que tu n'es pas si loin de la vérité !
A l'époque j'ai branché le CTM644 de mon Amstrad CPC 6128 disposant seulement d'une entrée péritel avec la sortie de mon Amiga 500 en RGB, et ca fonctionnait très bien moyennant quelques soudures et deux résistances.
Ci-dessous le schéma trouvé sur le net (recherche google brancher VGA sur péritel) :

- 20150228232708-Chelnov-20121026100913-gc339-VGA2SCART-1-.png (17.18 Kio) Consulté 4307 fois
Re: TV 100 Hz et 480p
Publié : 06 oct. 2021 - 16:41
par Touki_JAFF
Bonjour BolafLeHideux,
Il me semble que ce câblage c'est celui que j'ai déjà.
Je vais tout de même vérifiée.
Merci.
Re: TV 100 Hz et 480p
Publié : 06 oct. 2021 - 17:01
par BolafLeHideux
Assure-toi que les broches 14 et 13 (côté VGA) sont bien reliées et que le signal est bien atténué par des résistances (sinon va y'avoir un soucis de stabilité du signal ou alors carrément infos pas prises en compte).
Ce sont ces broches qui assurent la synchro.
Suivant le cas de figure tu peux avoir un dédoublement de l'image (ce qui est ton cas).
Re: TV 100 Hz et 480p
Publié : 06 oct. 2021 - 22:08
par Touki_JAFF
Je vérifierai le câble, mais il fonctionne bien en 15k.
Synchro OK, stabilité OK.
En 31k sur d'autres TV, l'image est carrément instable.
Mais là sur celle-ci, l'image est stable.
Verticalement 480p, horizontalement... Une double image.
Comme si je voulais faire de la 3D, une image pour chaque œil

Re: TV 100 Hz et 480p
Publié : 06 oct. 2021 - 22:35
par BolafLeHideux
C'est quand même sacrément chelou comme situation. C'est tellement étrange que je vais faire des recherches. Je te tiens au jus si je trouve quelque-chose.
Re: TV 100 Hz et 480p
Publié : 06 oct. 2021 - 22:53
par BolafLeHideux
Bon, c'est clairement un problème de synchro et de fréquence.
Je ne connaissais pas ce soucis spécifique aux 100 Hz.
Le problème ne datant pas de hier des solutions ont été trouvées.
Un truc qui semble fonctionner, à tester :

- schema_xor_ttl.jpg (193.55 Kio) Consulté 4246 fois
Image provenant de ce lien :
https://digilander.libero.it/venturi197 ... or_ttl.jpg
Info trouvée sur
http://www.atomicfe.com/forums/index.ph ... pic=1560.0
Re: TV 100 Hz et 480p
Publié : 06 oct. 2021 - 22:54
par Playmobil
BolafLeHideux a écrit : ↑06 oct. 2021 - 10:47
MDR Playmobil eh bien figure-toi que tu n'es pas si loin de la vérité !
Ma blague était basée sur une vieille technique qu'on faisait sur Atari ST... Mais jamais testé !

Re: TV 100 Hz et 480p
Publié : 06 oct. 2021 - 22:55
par BolafLeHideux
Si tu sais parler Italien, tu as toutes les infos qui te permettront de régler ton problème ici :
http://digilander.libero.it/venturi1975/
Re: TV 100 Hz et 480p
Publié : 07 oct. 2021 - 10:39
par Touki_JAFF
Merci BolafLeHideux, pour la source.
Sur le wiki que j'avais trouvé, j'ai aussi vue ce montage !
J'aurai aussi tendance à dire que c'est un problème de synchronisation
Il me reste plus qu'à le tenter, je commenterai ce fils de discussion avec mes prochains test

Re: TV 100 Hz et 480p
Publié : 07 oct. 2021 - 11:39
par BolafLeHideux
Oui tu nous tiendras au jus, ca peut être très instructif pour ceux qui rencontrent le même problème.
J'ai hâte de voir si le shema proposé fonctionne effectivement.
Je vois qu'il y a des condos également, serait-ce pour ramener la fréquence à 30 hz entrelacé ?
Re: TV 100 Hz et 480p
Publié : 09 oct. 2021 - 17:50
par lejedi62
Bjr, ta tv est sûrement dédiée à du 15 khz. Assure toi qu'elle accepte du 31 khz. Si tu lui fournis du 31khz alors qu'elle est dédiée à du 15khz, elle lâchera à un moment donné. Tu as sûrement un jpac qui sécurise l'arrivée de ton signal 31khz et l'affiche sur ton ecran 15khz 100 hz en double écran pour éviter qu'il lâche.
Retroarch actuellement permet d'obtenir du 240p sur des 31khz avec la fréquence 120hz.
Re: TV 100 Hz et 480p
Publié : 09 oct. 2021 - 20:28
par takki
image doublé = protection de la platine car elle ne supporte pas le 31
31:2 = 2 image
Re: TV 100 Hz et 480p
Publié : 09 oct. 2021 - 21:02
par Touki_JAFF
Bonjour,
Le 15 khz passe très bien dessus comme sur toutes les TV que j'ai eu. (En même temps, je pense c'est un peu normal

)
Mais parmi toutes ces TV, c'est la seul 100Hz que j'ai eu entre les mains et c'est la seule à me fournir un "affichage" en 31 khz, même si cette dernière est étrange.
Les autres TV ne synchronise pas du tout en 31 khz, d’où mon étonnement et ma question

Après j'ai pas trouvé énorme d'info sur cette dernière. :/
Branché sur une CM Atomiswave en 15 khz :
Branché sur la même CM Atomiswave en 31 khz :
Re: TV 100 Hz et 480p
Publié : 09 oct. 2021 - 21:32
par Touki_JAFF
takki a écrit : ↑09 oct. 2021 - 20:28
image doublé = protection de la platine car elle ne supporte pas le 31
31:2 = 2 image
Super !
Au moins c'est claire, car je trouvais pas beaucoup d'info !
(ça pourra servir comme exemple à d'autres qui pourrait se poser la même question

)
Merci à Tous !
Re: TV 100 Hz et 480p
Publié : 10 oct. 2021 - 07:47
par BolafLeHideux
Merci
Touki_JAFF pour ces précisions. (Je mourrai moins bête mais je mourrai quand même)
A priori le deuxième shéma permettrait de régler ce problème de fréquence, tu confirmes ?
Re: TV 100 Hz et 480p
Publié : 10 oct. 2021 - 09:06
par takki
Ato en 31 = 640x480
Ato en 15 = 320x240
480 /2 = 240 donc image pleine
en 480 = 2 image , la platine se protege elle meme en splittant l image en 2 , 2x240

toutes les tv supporte le 640x480 mais en i en 15khz
elle supporte pas le 480p qui est en 31khz

Re: TV 100 Hz et 480p
Publié : 10 oct. 2021 - 09:32
par Touki_JAFF
takki a écrit : ↑09 oct. 2021 - 20:28
image doublé = protection de la platine car elle ne supporte pas le 31
31:2 = 2 image
Petit complément qui correspond au propos :
Téléviseurs 100 Hz avec entrée VGA directe
Si j'ai compris le principe des TV 100 Hz, c'est de doubler les fréquences
à l'affichage (du 50 Hz Verticale et 15 khz Horizontal devient du 100 Hz et 31 Khz).
En "gros", les Tubes des TV 100 Hz sont capable d'afficher du 31 khz, mais que si leur électronique le permet.
Sur cette TV, le signal d'entrée 31khz progressif est accepté et retravaillé (certainement par sécurité, comme dit Takki).
Ce qui donne une image de sortie ci-dessus
